◆ Model : ye60 ye100 ye150
◆ Gumamit: Ang gauge ng presyon ng lamad ay tinatawag ding micro pressure gauge. Ito ay angkop para sa pagsukat ng mababang micro-pressure ng mga gas o mga singaw nang walang panganib sa pagsabog, hindi pag-crystallization, hindi pag-uugali, at hindi nakakaugnay na epekto sa haluang tanso at tanso.
◆ Mga teknikal na parameter :
| Numero ng modelo | Ye60 | Ye100 | Ye150 | |
| Nominal diameter | Φ 60 | Φ 100 | Φ 150 | |
| Uri ng pag -mount | Ⅰ | * | * | * |
| Ⅱ | / | * | * | |
| Ⅲ | * | / | / | |
| Ⅳ | / | * | * | |
| Ⅴ | * | / | / | |
| Konektor thread | M14 × 1.5 | M20 × 1.5 | ||
| Klase ng kawastuhan | 1.6 ; 2.5 | |||
| Saklaw ng Pagsukat ( KPA ) | -40 ~ 0 -25 ~ 0 -16 ~ 0 -10 ~ 0 -6 ~ 0 -4 ~ 0 0 ~ 4 0 ~ 6 0 ~ 10 0 ~ 16 0 ~ 25 0 ~ 40 -2 ~ 2 -3 ~ 3 -5 ~ 5 -8 ~ 8 -12 ~ 12 -20 ~ 20 | |||
| Mga kondisyon ng kapaligiran ng paggamit | Temp : -25 ℃~ 55 ℃; Kamag -anak na kahalumigmigan : ≤ 80 % | |||
| Rating ng panginginig ng boses | V · H · 2 | |||
| Materyal na kahon ng lamad | QSN4-0.3 | |||
| Klase ng Proteksyon | IP54 | |||
| Mga Pamantayan sa Pagpapatupad | JB/T 9274 | |||
| Tandaan: 1. Ang mga magkasanib na mga thread ay maaaring ipasadya ayon sa mga kinakailangan ng gumagamit. | ||||
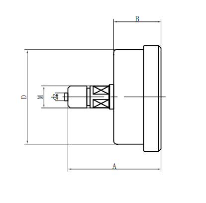
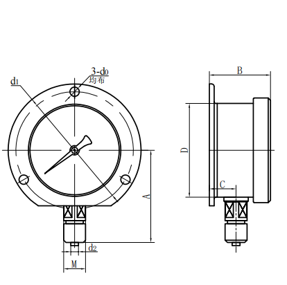
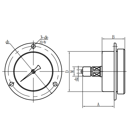
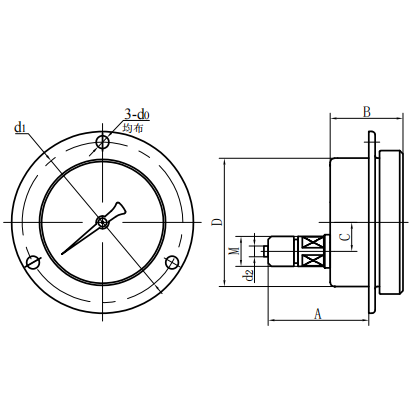
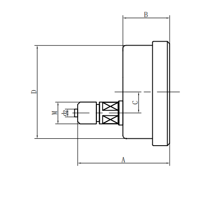
◆ Panlabas na sukat:
| Radial Direct Type (ⅰ) | Axial Eccentric Direct Type (ⅱ) |
| Axial Concentric Direct Type (III) | Axial eccentric insert type (IV) |
| Axial concentric na uri ng pagpasok (V) | Radial convex type (vi) $ |
| Numero ng modelo | Pangkalahatang sukat ( mm ) | ||||||
| A | B | C | D | E | D2 | M | |
| Ye60 -Ⅰ | 58 | 35 | 11 | φ 60 | 5 | φ 4 | M10 × $ 1 |
| Ye60 -Ⅲ | 58 | 35 | / | φ 60 | 5 | φ 4 | M10 × 1 |
| | | | | | | | |
| Ye100 -Ⅰ | 93 | 50 | 16.5 | Φ 100 | 16.5 | φ 6 | M20 × 1.5 |
| Ye100 -Ⅲ | 85 | 50 | / | Φ 100 | 16.5 | φ 6 | M20 × 1.5 |
| | | | | | | | |
| Ye150 -Ⅰ | 118 | 53 | 18.5 | φ 150 | 19 | φ 6 | M20 × 1.5 |
| Ye150 -Ⅲ | 96 | 53 | / | φ 150 | 19 | φ 6 | M20 × 1.5 |
| | | | | | | | |


















