◆ Model: YLM60 YLM100 YLM150
◆ Application: Ang seryeng ito ng mga instrumento ay mga espesyal na instrumento para sa pagtuklas ng mababang temperatura o espesyal na medium na nagpapalamig, pangunahin na ginagamit sa air conditioning ref, water chiller, air dryer o pag -iipon ng sistema ng grupo ng nagpapalamig.
Maaari rin itong gumawa ng iba't ibang mga nagpapalamig na multi-label na mga panel ayon sa mga kinakailangan ng mga customer, at maraming uri ng mga takip at kaso (istilo ng Switzerland) para pumili ang mga customer.
Dahil sa na-optimize na disenyo ng konektor at ang mga espesyal na pagsasaalang-alang sa pagpili ng mga materyales sa hinang at mga sangkap na sensing ng presyon, ang seryeng ito ng mga produkto ay may mahusay na mga katangian ng anti-leakage, anti-pressure pulse at anti-vibration, kaya ang kalidad ng instrumento ay lubos na napabuti, at ang malfunction at pagkawala ng sistema ng pagpapalamig dahil sa mga kalidad ng produkto ay pinabuting.
◆ Mga teknikal na parameter :
| Numero ng modelo | Ylm60 | YLM100 | YLM150 | |
| Nominal diameter | Φ 60 | Φ 100 | Φ 150 | |
| Uri ng pag -mount | Ⅰ | * | * | * |
| Ⅱ | * | * | * | |
| Ⅲ | * | / | / | |
| Ⅳ | * | * | * | |
| Ⅴ | * | / | / | |
| Ⅵ | * | * | * | |
| Konektor thread | M14 × 1.5 | M20 × 1.5 | ||
| Klase ng kawastuhan | 2.5 | 1.6 | ||
| Saklaw ng Pagsukat ( MPA ) | mababang boltahe : (- 30 ~ 0 …… 15 ) kg , 1.8Mpa Pang -aapi : 0 ~ 35 ) kg , 3.8Mpa | |||
| Pagtukoy ng Uri ng Media | R134A 、 R22A 、 R404a 、 R407a | |||
| Mga kondisyon ng kapaligiran ng paggamit | temp : -20 ℃~ 60 ℃; kamag -anak na kahalumigmigan : ≤ 80 % | |||
| rating ng panginginig ng boses | V · H · 3 | |||
| Klase ng Proteksyon | IP54 | |||
| Mga Pamantayan sa Pagpapatupad | GB/T 1226 | |||
| Tandaan: 1. Ang mga magkasanib na mga thread ay maaaring ipasadya ayon sa mga kinakailangan ng gumagamit. | ||||
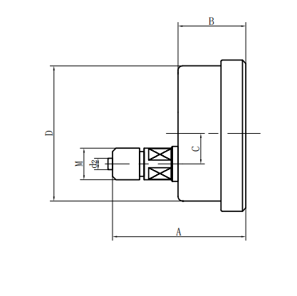
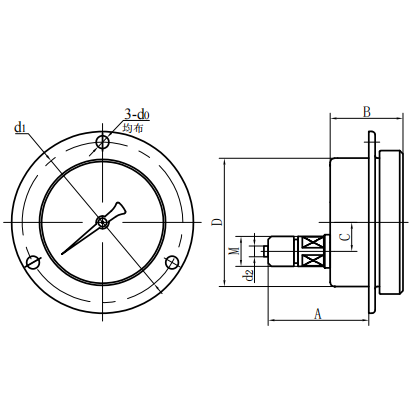
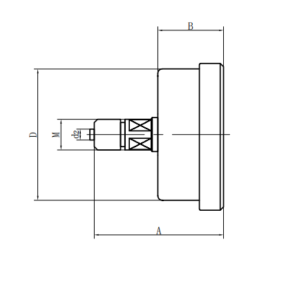
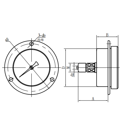
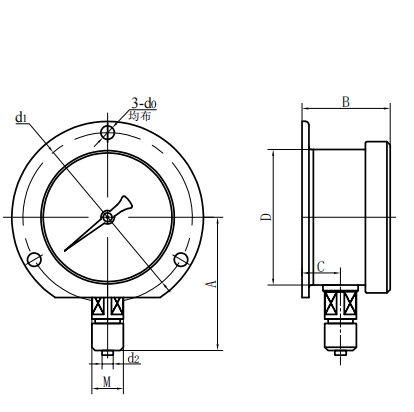
◆ Panlabas na sukat:
| Radial Direct Type (ⅰ) | Axial Eccentric Direct Type (ⅱ) |
| Axial Concentric Direct Type (III) | Axial eccentric insert type (IV) |
| Axial concentric na uri ng pagpasok (V) | Radial convex type (vi) $ |
| Numero ng modelo | Pangkalahatang sukat ( mm ) | |||||||
| A | B | C | D | D0 | D1 | D2 | M | |
| Ylm60 -Ⅰ | 56 | 33 | 11 | Φ 60 | / | / | Φ 5 | M14 × $ 1.5 |
| Ylm60 -Ⅱ | 61 | 32.5 | 18 | Φ 60 | / | / | | |
| Ylm60 -Ⅲ | 61 | 32.5 | / | Φ 60 | / | / | Φ 5 | M14 × 1.5 |
| Ylm60 -Ⅳ | 55 | 32.5 | 18 | Φ 60 | Φ 5 | Φ 75 | | |
| Ylm60 -Ⅴ | 55 | 32.5 | / | Φ 60 | Φ 5 | Φ 75 | Φ 5 | M14 × 1.5 |
| Ylm60 -Ⅵ | 56 | 33 | 11 | Φ 60 | Φ 5 | Φ 75 | Φ 5 | M14 × 1.5 |
| YLM100 -Ⅰ | 90 | 48 | 15 | Φ 100 | / | / | Φ 6 | M20 × 1.5 |
| YLM100 -Ⅱ | 83 | 44 | 34 | Φ 100 | / | / | Φ 6 | M20 × 1.5 |
| YLM100 -Ⅳ | 68 | 44 | 34 | Φ 100 | Φ 6 | Φ 118 | Φ 6 | M20 × 1.5 |
| YLM100 -Ⅵ | 90 | 48 | 15 | Φ 100 | Φ 6 | Φ 118 | Φ 6 | M20 × 1.5 |
| YLM150 -Ⅰ | 117 | 51 | 16.5 | Φ 150 | / | / | Φ 6 | M20 × 1.5 |
| YLM150 -Ⅱ | 92 | 52 | 55 | Φ 150 | / | / | Φ 6 | M20 × 1.5 |
| YLM150 -Ⅳ | 69 | 52 | 55 | Φ 150 | Φ 6 | Φ 165 | Φ 6 | M20 × 1.5 |
| YLM150 -Ⅵ | 117 | 53 | 28 | Φ 150 | Φ 6 | Φ 165 | Φ 6 | M20 × 1.5 |


















