◆ Model: YC40 YC50 YC60 YC75 YC100 YC150
◆ Gumamit: Ang seryeng ito ng mga instrumento ay angkop para sa pagsukat ng presyon ng likido, gas, singaw at iba pang likido na media nang walang panganib sa pagsabog, pagkikristal o solidification sa mga barko at mga kaugnay na kagamitan.
Ang seryeng ito ng mga instrumento ay may maliwanag na uri, sa pangunahing sukat ng dial at ang harap na dulo ng pointer ay pinahiran ng aktibo o pasibo na permanenteng ahente, kaya ang halaga ng presyon ay maaaring malinaw na basahin sa kadiliman.
Ang shell ng seryeng ito ng mga instrumento ay ganap na selyadong at may isang tiyak na pagtutol sa kaagnasan ng tubig sa dagat, sa gayon pinoprotektahan ang mga panloob na sangkap ng instrumento mula sa pinsala at kaagnasan ng mga alon at tubig sa dagat.
Ang serye ng mga instrumento na ito ay maaari ring mapunan ng mababang-lagkit na damping oil sa shell, na may kakayahang pigilan ang panginginig ng boses ng kapaligiran na nagtatrabaho na sanhi ng masamang panahon sa dagat at ang medium pressure pulsation.
Ang seryeng ito ng mga instrumento ay pangunahing ginagamit sa pagpapadala sa malayo sa pampang, mga patlang ng langis at gas, mga platform ng pagbabarena sa malayo
◆ Mga teknikal na parameter :
| Numero ng modelo | Ylm60 | YLM100 | YLM150 | |
| Nominal diameter | Φ 60 | Φ 100 | Φ 150 | |
| Uri ng pag -mount | Ⅰ | * | * | * |
| Ⅱ | * | * | * | |
| Ⅲ | * | / | / | |
| Ⅳ | * | * | * | |
| Ⅴ | * | / | / | |
| Ⅵ | * | * | * | |
| Konektor thread | M14 × 1.5 | M20 × 1.5 | ||
| Klase ng kawastuhan | 2.5 | 1.6 | ||
| Saklaw ng Pagsukat ( MPA ) | Bakante : -0.1 ~ 0 Pressure Vacuum : -0.1 ~ 0.06 -0.1 ~ 0.15 -0.1 ~ 0.3 -0.1 ~ 0.5 -0.1 ~ 0.9 -0.1 ~ 1.5 -0.1 ~ 2.4 Presyon : 0 ~ 0.1 0 ~ 0.16 0 ~ 0.25 0 ~ 0.4 0 ~ 0.6 0 ~ 1 0 ~ 1.6 0 ~ 2.5 0 ~ 4 0 ~ 6 0 ~ 10 0 ~ 16 0 ~ 25 0 ~ 40 0 ~ 60 0 ~ 100 、 0 ~ 160 、 0 ~ 250 |
| Mga kondisyon ng kapaligiran ng paggamit | temp : -40 ℃~ 70 ℃ |
| rating ng panginginig ng boses | normal na uri : V · H · 3 ; Uri ng seismic (uri ng puno ng likido) : V · H · 4 |
| Borden tube material | QSN4-0.3 、 Ocr18ni12mo2ti |
| Kaso at materyal na konektor | 1cr18ni9ti ; Sus304 |
| Klase ng Proteksyon | IP65 |
| Mga Pamantayan sa Pagpapatupad | GB/T 1226 ; JB/T 6804 |
| Tandaan: 1. Ang mga magkasanib na mga thread ay maaaring ipasadya ayon sa mga kinakailangan ng gumagamit. | |
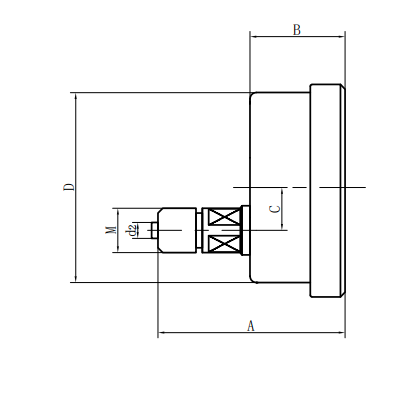
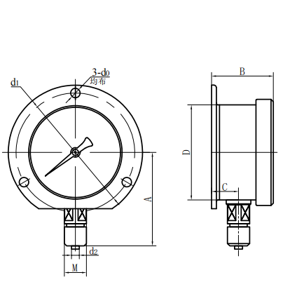
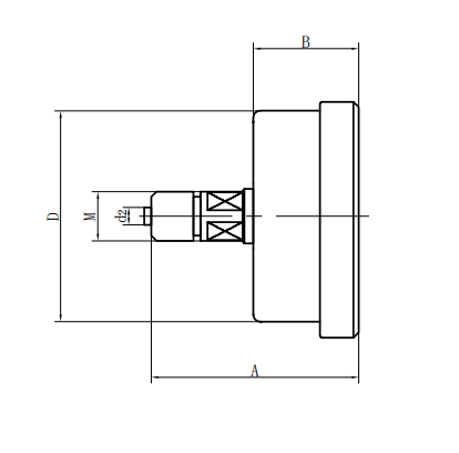
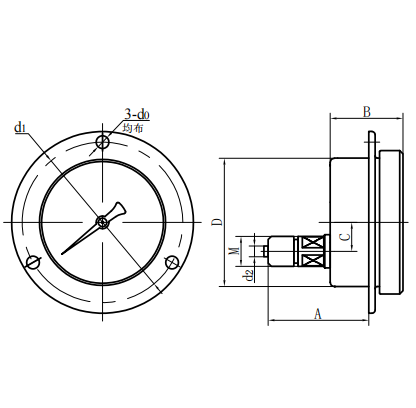
◆ Panlabas na sukat:
| Radial Direct Type (ⅰ) | Axial Eccentric Direct Type (ⅱ) |
| Axial Concentric Direct Type (III) | Axial eccentric insert type (IV) |
| Axial concentric na uri ng pagpasok (V) | Radial convex type (vi) $ |
| numero ng modelo | Pangkalahatang Dimensyon (mm) | |||||||
| A | B | C | D | D0 | D1 | D2 | M | |
| YC60- Ⅰ | 56 | 33 | 11 | Φ 60 | / | / | Φ 5 | M14 × $ 1.5 |
| YC60- Ⅱ | 61 | 32.5 | 18 | Φ 60 | / | / | Φ 5 | |
| YC60- Ⅲ | 61 | 32.5 | / | Φ 60 | / | / | Φ 5 | M14 × 1.5 |
| YC60- Ⅳ | 55 | 32.5 | 18 | Φ 60 | Φ 5 | Φ 75 | Φ 5 | |
| YC60- Ⅴ | 55 | 32.5 | / | Φ 60 | Φ 5 | Φ 75 | Φ 5 | M14 × 1.5 |
| YC60- Ⅵ | 56 | 33 | 11 | Φ 60 | Φ 5 | Φ 75 | Φ 5 | M14 × 1.5 |
| YC100- Ⅰ | 90 | 48 | 15 | Φ 100 | / | / | Φ 6 | M20 × 1.5 |
| YC100- Ⅱ | 83 | 44 | 34 | Φ 100 | / | / | Φ 6 | M20 × 1.5 |
| YC100- Ⅳ | 68 | 44 | 34 | Φ 100 | Φ 6 | Φ 118 | Φ 6 | M20 × 1.5 |
| YC100- Ⅵ | 90 | 48 | 15 | Φ 100 | Φ 6 | Φ 118 | Φ 6 | M20 × 1.5 |
| YC150- Ⅰ | 117 | 51 | 16.5 | Φ 150 | / | / | Φ 6 | M20 × 1.5 |
| YC150- Ⅱ | 92 | 52 | 55 | Φ 150 | / | / | Φ 6 | M20 × 1.5 |
| YC150- Ⅳ | 69 | 52 | 55 | Φ 150 | Φ 6 | Φ 165 | Φ 6 | M20 × 1.5 |
| YC150- Ⅵ | 117 | 53 | 28 | Φ 150 | Φ 6 | Φ 165 | Φ 6 | M20 × 1.5 |


















