◆ Model: YJ150 YJ150A
◆ Gumamit: Ang seryeng ito ng mga instrumento ay pangunahing ginagamit upang ma -calibrate ang pang -industriya o sibil na ordinaryong mga gauge ng presyon. Maaari rin itong magamit upang tumpak na masukat ang presyon ng hindi nakakaugnay, hindi pag-mirili at hindi pag-iipon ng media tulad ng haluang metal na tanso at haluang metal na istruktura sa lugar ng proseso.
Ang seryeng ito ng mga instrumento sa linya ng scale sa ilalim ng setting ng salamin ng salamin, ang paggamit ay maaaring gawin ang error sa pagbabasa ay nabawasan.A type na may zero aparato, sa proseso ng paggamit, kung nalaman mong ang pointer ay hindi bumalik sa zero, sa kawalan ng presyon ng media ay maaaring maging maayos na pointer, upang bumalik ito sa zero upang mabawasan ang error.
◆ Mga teknikal na parameter :
| numero ng modelo | YJ150 | YJ150A | |
| Nominal diameter | Φ 150 | ||
| Form ng pag -install | Ⅰ | * | * |
| Ⅳ | * | * | |
| Konektor thread | M20 × 1.5 | ||
| Klase ng kawastuhan | 0.4 | ||
| Saklaw ng Pagsukat ( MPA ) | Bakante : -0.1 ~ 0 Pressure Vacuum : -0.1 ~ 0.06 -0.1 ~ 0.15 -0.1 ~ 0.3 -0.1 ~ 0.5 -0.1 ~ 0.9 -0.1 ~ 1.5 -0.1 ~ 2.4 Presyon : 0 ~ 0.1 0 ~ 0.16 0 ~ 0.25 0 ~ 0.4 0 ~ 0.6 0 ~ 1 0 ~ 1.6 0 ~ 2.5 0 ~ 4 0 ~ 6 0 ~ 10 0 ~ 16 0 ~ 25 0 ~ 40 0 ~ 60 0 ~ 100 | ||
| Mga kondisyon ng kapaligiran ng paggamit | temp : 20 ℃ ± 3 ℃ | ||
| rating ng panginginig ng boses | V · H · 2 | ||
| Klase ng Proteksyon | IP54 | ||
| Mga Pamantayan sa Pagpapatupad | GB/T 1227 | ||
| Tandaan: 1. Ang mga magkasanib na mga thread ay maaaring ipasadya ayon sa mga kinakailangan ng gumagamit. | |||
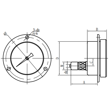
◆ Panlabas na sukat:
| Radial Direct Type (ⅰ) | Axial Eccentric Direct Type (ⅱ) $ |
| numero ng modelo | Pangkalahatang sukat ( mm ) | |||||||
| A | B | C | D | D0 | D1 | D2 | M | |
| YJ150- Ⅰ Yj150a- Ⅰ | 113 | 51 | 21 | Φ 150 | / | / | Φ 6 | M20 × $ 1.5 |
| YJ150- Ⅳ Yj150a- Ⅳ | 79 | 51 | 55 | Φ 150 | Φ 6 | Φ 165 | Φ 6 | M20 × 1.5 |


















