◆ Model: YJY100 YJY150
◆ Gumamit: Ang ganap na presyon ay tumutukoy sa presyon na mas mataas kaysa sa ganap na presyon ng zero na may ganap na presyon zero (ganap na vacuum) bilang sanggunian. Ang ganap na halaga ng presyon ay maaaring maipahayag ng mga sumusunod na pormula:
Ganap na halaga ng presyon = vacuum (negatibong presyon) halaga ng halaga ng presyon ng atmospera
Ang ganap na gauge ng presyon ay pangunahing ginagamit upang masubaybayan o masukat ang ganap na presyon sa ilang mga kagamitan sa vacuum (hal. Vacuum packaging makinarya, mga kagamitan para sa pagsubaybay sa presyon ng paghalay at presyon ng singaw ng likido, atbp.).
◆ Presyon ng pagtatrabaho: Ang static load ay ginagamit hanggang sa 3/4 ng itaas na halaga ng halaga ng pagsukat, ang pag-load ng palitan ay ginagamit hanggang sa 2/3 ng itaas na halaga ng limitasyon ng pagsukat, at ang short-time na presyon ay ginagamit hanggang sa itaas na halaga ng halaga ng pagsukat.
◆ Mga teknikal na parameter :
| numero ng modelo | YJY100 | YJY150 | |
| Nominal diameter | Φ 100 | Φ 150 | |
| Form ng pag -install | Ⅰ | * | * |
| Ⅱ | * | * | |
| Ⅳ | * | * | |
| Ⅵ | * | * | |
| Konektor thread | M20 × 1.5 | ||
| Klase ng kawastuhan | 0.4 ; 1.0 ; 1.6 ; 2.5 | ||
| Saklaw ng Pagsukat ( MPA ) | 0 ~ 0.1 0 ~ 0.16 0 ~ 0.25 0 ~ 0.4 0 ~ 0.6 0 ~ 1 0 ~ 1.6 0 ~ 2.5 0 ~ 4 0 ~ 6 0 ~ 10 | ||
| Mga kondisyon ng kapaligiran ng paggamit | temp : -40 ℃~ 70 ℃ (Klase ng Katumpakan : 0.4 ) -50 ℃~ 160 ℃ (Klase ng Katumpakan : 1.0 ~ 2.5 ) kamag -anak na kahalumigmigan : ≦ 80 % | ||
| rating ng panginginig ng boses | V · H · 2 ; V · H · 3 | ||
| Klase ng Proteksyon | IP65 | ||
| Mga Pamantayan sa Pagpapatupad | | ||
| Tandaan: 1. Ang mga magkasanib na mga thread ay maaaring ipasadya ayon sa mga kinakailangan ng gumagamit. | |||
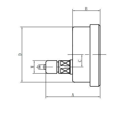
◆ Panlabas na sukat:
|
Radial Direct Type (ⅰ) | Axial Eccentric Direct Type (ⅱ) |
| Axial Concentric Direct Type (III) | Axial eccentric insert type (IV) $ |
| numero ng modelo | Pangkalahatang sukat ( mm ) | |||||||
| A | B | C | D | D0 | D1 | D2 | M | |
| YJY100 -Ⅰ | 90 | 48 | 15 | Φ 100 | / | / | Φ 6 | M20 × $ 1.5 |
| YJY100 -Ⅱ | 83 | 44 | 34 | Φ 100 | / | / | Φ 6 | M20 × 1.5 |
| YJY100 -Ⅳ | 68 | 44 | 34 | Φ 100 | Φ 6 | Φ 118 | Φ 6 | M20 × 1.5 |
| YJY100 -Ⅵ | 90 | 48 | 15 | Φ 100 | Φ 6 | Φ 118 | Φ 6 | M20 × 1.5 |
| YJY150 -Ⅰ | 117 | 51 | 16.5 | Φ 150 | / | / | Φ 6 | M20 × 1.5 |
| YJY150 -Ⅱ | 92 | 52 | 55 | Φ 150 | / | / | Φ 6 | M20 × 1.5 |
| YJY150 -Ⅳ | 69 | 52 | 55 | Φ 150 | Φ 6 | Φ 165 | Φ 6 | M20 × 1.5 |
| YJY150 -Ⅵ | 117 | 53 | 28 | Φ 150 | Φ 6 | Φ 165 | Φ 6 | M20 × 1.5 |
























