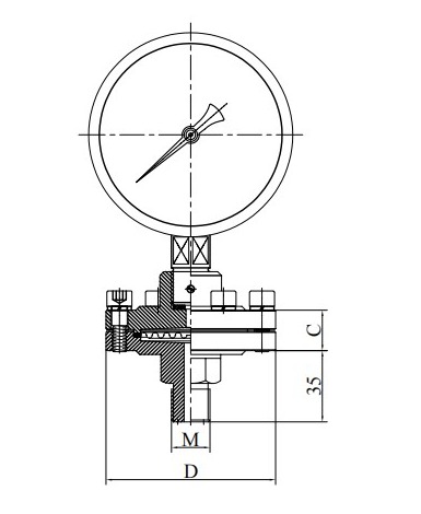
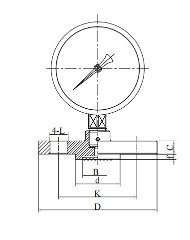
◆ Model: YTZ100, YTZ-150
◆ Application: Ang ganitong uri ng instrumento ay angkop para sa pagsukat ng presyon ng mga likido, gas o mga singaw nang walang peligro na pagsabog, walang pagkikristal, walang solidification, at walang kinakailangang epekto sa mga haluang tanso at tanso.
Ginawa ng hindi kinakalawang na asero, maaari itong magamit upang masukat ang presyon ng mga likido, gas o mga singaw na mahina na kinakain, ngunit hindi sumasabog, crystallized o palakasin.
◆ Kung kinakailangan upang makagawa ng isang shockproof type pressure gauge, maaari itong mapunan ng gliserin o silicone oil.


















